Input Connections Timing Pulleys or Gear Shafts Harmonic Drive Gear Box Reducer FHG-III-32
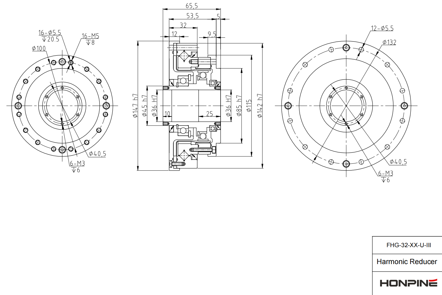
The FHG-III series harmonic drive features a large hollow shaft structure. It adopts an integrated sealed flange design that combines harmonic drive components into a single unit, pre-filled with specialized lubricating grease for simplified equipment assembly. A high-rigidity cross roller bearing (main bearing) is integrated internally. This system is typically configured with either fixed circular spline and flexspline output or fixed flexspline and circular spline output.
FHG-32-XX-U-III hollow shaft harmonic drive reducer

Features
- A large hollow shaft structure facilitates cable and optical line routing.
- Fully sealed, integrated design pre-filled with specialized lubricating grease
- Input connections via timing pulleys or gear shafts
- Excellent rotational and positioning accuracy
- High torque capacity
- High rigidity
- Coaxial input and output
Specifciations
| Starting torque of the FHG series | unit:cNm | ||||||
| Â Â Â Â Â Â Type Reduction ratio |
11 | 14 | 17 | 20 | 25 | 32 | 40 |
| 50 | 一 | 8.8 | 27 | 36 | 56 | 85 | 136 |
| 80 | 一 | 7.5 | 25 | 33 | 50 | 74 | 117 |
| 100 | 一 | 6.9 | 24 | 32 | 49 | 72 | 112 |
| 120 | 一 | 6.9 | 24 | 31 | 48 | 68 | 110 |
| 160 | 一 | 一 | 一 | 31 | 47 | 67 | 105 |
| Moment load table of FHT(FHG)series | ||
| Model | Design value | Instant permissible value |
| FHG-14 | Mbdi 41Nm | Mb max 80Nm |
| Ftdi270N | Ft max 490N | |
| Fa di 270N | F a max 490N | |
| FHG-17 | M bdi 72Nm | Mb max 140Nm |
| Ftdi400N | Ft max 700N | |
| Fa di 400N | F a max 700N | |
| FHG-20 | M bdi 140Nm | Mb max 280Nm |
| Ftdi650N | Ft max 1150N | |
| Fa di 650N | F a max 1150N | |
| FHG-25 | M bdi 243Nm | Mb max 480Nm |
| Ft di 900N | Ft max 1600N | |
| Fa di900N | Fa max 1600N | |
| FHG-32 | M bdi 460Nm | Mb max 900Nm |
| Ftdi 1350N | Ftmax 2300N | |
| Fa di 1350N | Fa max 2300N | |
| FHG-40 | M bdi 600Nm | Mb max 1200Nm |
| Ft di 2000N | Ftmax 3500N | |
| Fa di 2000N | F a max 3500N | |
| Model | Reduction ratio |
Rated torque at 2000r/min input |
Permissible peak torque at start and stop |
Permissible maximum value for average load torque |
Permissible maximum value for average load  torque | Permissible maximum input rotational speed(Grease) |
Backlash | weight | Desian life | |||||
| Nm | kgfm | Nm | kgfm | Nm | kgfm | Nm | kgfm | r/min | r/min | Arc Sec | kg | Hour | ||
| 14 | 50 | 7 | 0.7 | 23 | 2.3 | 9 | 0.9 | 46 | 4.7 | 8500 | 3500 | ≤20 | FHG-I/II:0.40 FHG-III:0.7 FHG-IV:0.66 FHG-V:0.40 |
10000 |
| 80 | 10 | 1.0 | 30 | 3.1 | 14 | 1.4 | 61 | 6.2 | 15000 | |||||
| 100 | 10 | 1.0 | 36 | 3.7 | 14 | 1.4 | 70 | 7.2 | 15000 | |||||
| 120 | 10 | 1.0 | 36 | 3.7 | 14 | 1.4 | 70 | 7.2 | 15000 | |||||
| 17 | 50 | 21 | 2.1 | 44 | 4.5 | 34 | 3.4 | 91 | 9 | 7300 | 3500 | ≤20 | FHG-I/II:0.54 FHG-III:0.99 FHG-IV:0.90 FHG-V:0.62 |
10000 |
| 80 | 29 | 2.9 | 56 | 5.7 | 35 | 3.6 | 113 | 12 | 15000 | |||||
| 100 | 31 | 3.2 | 70 | 7.2 | 51 | 5.2 | 143 | 15 | 15000 | |||||
| 120 | 31 | 3.2 | 70 | 7.2 | 51 | 5.2 | 112 | 11 | 15000 | |||||
| 20 | 50 | 33 | 3.3 | 73 | 7.4 | 44 | 4.5 | 127 | 13 | 6500 | 3500 | ≤20 | FHG-I/II:0.72 FHG-III:1.32 FHG-IV:1.29 FHG-V:0.82 |
10000 |
| 80 | 44 | 4.5 | 96 | 9.8 | 61 | 6.2 | 165 | 17 | 15000 | |||||
| 100 | 52 | 5.3 | 107 | 10.9 | 64 | 6.5 | 191 | 20 | 15000 | |||||
| 120 | 52 | 5.3 | 113 | 11.5 | 64 | 6.5 | 191 | 20 | 15000 | |||||
| 160 | 52 | 5.3 | 120 | 12.2 | 64 | 6.5 | 191 | 20 | 15000 | |||||
| 25 | 50 | 51 | 5.2 | 127 | 13 | 72 | 7.3 | 242 | 25 | 5600 | 3500 | ≤20 | FHG-I/II:1.22 FHG-III:2.02 FHG-IV:1.99 FHG-V:1.40 |
10000 |
| 80 | 82 | 8.4 | 178 | 18 | 113 | 12 | 332 | 34 | 15000 | |||||
| 100 | 87 | 8.9 | 204 | 21 | 140 | 14 | 369 | 38 | 15000 | |||||
| 120 | 87 | 8.9 | 217 | 22 | 140 | 14 | 395 | 40 | 15000 | |||||
| 32 | 50 | 99 | 10 | 281 | 29 | 140 | 14 | 497 | 51 | 4800 | 3500 | ≤20 | FHG-I/II:2.54 FHG-IIV:4.20 FHG-IV:4.00 FHG-V:2.70 |
10000 |
| 80 | 153 | 16 | 395 | 40 | 217 | 22 | 738 | 75 | 15000 | |||||
| 100 | 178 | 18 | 433 | 44 | 281 | 29 | 841 | 86 | 15000 | |||||
| 120 | 178 | 18 | 459 | 47 | 281 | 29 | 892 | 91 | 15000 | |||||
| 40 | 50 | 178 | 18 | 523 | 53 | 255 | 26 | 892 | 91 | 4000 | 3000 | ≤20 | FHG-I/IV:4.40 FHG-III:7.20 FHG-IV:7.00 FHG-V:4.06 |
10000 |
| 80 | 268 | 27 | 675 | 69 | 369 | 38 | 1270 | 130 | 15000 | |||||
| 100 | 345 | 35 | 738 | 75 | 484 | 49 | 1400 | 143 | 15000 | |||||
| 120 | 382 | 39 | 802 | 82 | 586 | 60 | 1530 | 156 | 15000 | |||||








Reviews
There are no reviews yet.