Light Weight Strain Wave Harmonic Drive Gear Reducer FHG-I-14
The FHG-I series strain wave gear box features an integrated cam structure for its wave generator. The size of the cam shaft hole can be adjusted according to the customer’s motor model, with the input shaft directly fitting into the inner bore of the wave generator and connected via a flat key. It incorporates a built-in high-rigidity cross roller bearing (main bearing). Generally, it is used with the rigid wheel end fixed and the flexspline end output, or with the flexspline fixed and the rigid wheel end output as the connection method.
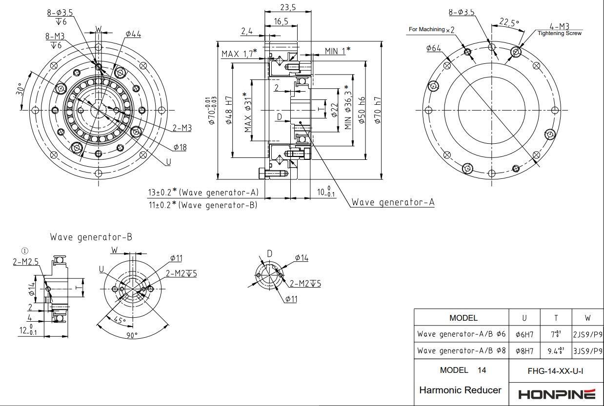
FHG-14-XX-U-I harmonic drive drawing

Features
- The integrated cam structure facilitates easy installation and offers more installation options.
- Excellent rotational accuracy and positioning accuracy.
- High torque capacity.
- High rigidity.
- Input and output are coaxial.
| Starting torgue of FHG series | unit:cNm | ||||||
| Type Reduction ratio |
11 | 14 | 17 | 20 | 25 | 32 | 40 |
| 50 | 一 | 8.8 | 27 | 36 | 56 | 85 | 136 |
| 80 | 一 | 7.5 | 25 | 33 | 50 | 74 | 117 |
| 100 | 一 | 6.9 | 24 | 32 | 49 | 72 | 112 |
| 120 | 一 | 6.9 | 24 | 31 | 48 | 68 | 110 |
| 160 | 一 | 一 | 一 | 31 | 47 | 67 | 105 |
| Moment load table of FHT(FHG)series | ||
| Model | Design value | Instant permissible value |
| FHG-14 | Mbdi 41Nm | Mb max 80Nm |
| Ftdi270N | Ft max 490N | |
| Fa di 270N | F a max 490N | |
| FHG-17 | M bdi 72Nm | Mb max 140Nm |
| Ftdi400N | Ft max 700N | |
| Fa di 400N | F a max 700N | |
| FHG-20 | M bdi 140Nm | Mb max 280Nm |
| Ftdi650N | Ft max 1150N | |
| Fa di 650N | F a max 1150N | |
| FHG-25 | M bdi 243Nm | Mb max 480Nm |
| Ft di 900N | Ft max 1600N | |
| Fa di900N | Fa max 1600N | |
| FHG-32 | M bdi 460Nm | Mb max 900Nm |
| Ftdi 1350N | Ftmax 2300N | |
| Fa di 1350N | Fa max 2300N | |
| FHG-40 | M bdi 600Nm | Mb max 1200Nm |
| Ft di 2000N | Ftmax 3500N | |
| Fa di 2000N | F a max 3500N | |
| Model | Reduction ratio |
Rated torque at 2000r/min input |
Permissible peak torque at start and stop |
Permissible maximum value for average load torque |
Permissible maximum value for average load torque |
Permissible maximum input rotational speed(Grease) |
Backlash | weight | Desian life | |||||
| Nm | kgfm | Nm | kgfm | Nm | kgfm | Nm | kgfm | r/min | r/min | Arc Sec | kg | Hour | ||
| 14 | 50 | 7 | 0.7 | 23 | 2.3 | 9 | 0.9 | 46 | 4.7 | 8500 | 3500 | ≤20 | FHG-I/II:0.40 FHG-III:0.7 FHG-IV:0.66 FHG-V:0.40 |
10000 |
| 80 | 10 | 1.0 | 30 | 3.1 | 14 | 1.4 | 61 | 6.2 | 15000 | |||||
| 100 | 10 | 1.0 | 36 | 3.7 | 14 | 1.4 | 70 | 7.2 | 15000 | |||||
| 120 | 10 | 1.0 | 36 | 3.7 | 14 | 1.4 | 70 | 7.2 | 15000 | |||||
| 17 | 50 | 21 | 2.1 | 44 | 4.5 | 34 | 3.4 | 91 | 9 | 7300 | 3500 | ≤20 | FHG-I/II:0.54 FHG-III:0.99 FHG-IV:0.90 FHG-V:0.62 |
10000 |
| 80 | 29 | 2.9 | 56 | 5.7 | 35 | 3.6 | 113 | 12 | 15000 | |||||
| 100 | 31 | 3.2 | 70 | 7.2 | 51 | 5.2 | 143 | 15 | 15000 | |||||
| 120 | 31 | 3.2 | 70 | 7.2 | 51 | 5.2 | 112 | 11 | 15000 | |||||
| 20 | 50 | 33 | 3.3 | 73 | 7.4 | 44 | 4.5 | 127 | 13 | 6500 | 3500 | ≤20 | FHG-I/II:0.72 FHG-III:1.32 FHG-IV:1.29 FHG-V:0.82 |
10000 |
| 80 | 44 | 4.5 | 96 | 9.8 | 61 | 6.2 | 165 | 17 | 15000 | |||||
| 100 | 52 | 5.3 | 107 | 10.9 | 64 | 6.5 | 191 | 20 | 15000 | |||||
| 120 | 52 | 5.3 | 113 | 11.5 | 64 | 6.5 | 191 | 20 | 15000 | |||||
| 160 | 52 | 5.3 | 120 | 12.2 | 64 | 6.5 | 191 | 20 | 15000 | |||||
| 25 | 50 | 51 | 5.2 | 127 | 13 | 72 | 7.3 | 242 | 25 | 5600 | 3500 | ≤20 | FHG-I/II:1.22 FHG-III:2.02 FHG-IV:1.99 FHG-V:1.40 |
10000 |
| 80 | 82 | 8.4 | 178 | 18 | 113 | 12 | 332 | 34 | 15000 | |||||
| 100 | 87 | 8.9 | 204 | 21 | 140 | 14 | 369 | 38 | 15000 | |||||
| 120 | 87 | 8.9 | 217 | 22 | 140 | 14 | 395 | 40 | 15000 | |||||
| 32 | 50 | 99 | 10 | 281 | 29 | 140 | 14 | 497 | 51 | 4800 | 3500 | ≤20 | FHG-I/II:2.54 FHG-IIV:4.20 FHG-IV:4.00 FHG-V:2.70 |
10000 |
| 80 | 153 | 16 | 395 | 40 | 217 | 22 | 738 | 75 | 15000 | |||||
| 100 | 178 | 18 | 433 | 44 | 281 | 29 | 841 | 86 | 15000 | |||||
| 120 | 178 | 18 | 459 | 47 | 281 | 29 | 892 | 91 | 15000 | |||||
| 40 | 50 | 178 | 18 | 523 | 53 | 255 | 26 | 892 | 91 | 4000 | 3000 | ≤20 | FHG-I/IV:4.40 FHG-III:7.20 FHG-IV:7.00 FHG-V:4.06 |
10000 |
| 80 | 268 | 27 | 675 | 69 | 369 | 38 | 1270 | 130 | 15000 | |||||
| 100 | 345 | 35 | 738 | 75 | 484 | 49 | 1400 | 143 | 15000 | |||||
| 120 | 382 | 39 | 802 | 82 | 586 | 60 | 1530 | 156 | 15000 | |||||








Reviews
There are no reviews yet.